Cape Fear Motors
2007 - 2013 OEM GM DOD Delete Parts Kit
2007 - 2013 OEM GM DOD Delete Parts Kit
Couldn't load pickup availability
Cam Tunes 2007–2013 GM OEM LS DOD Delete Kit
For those who demand the best. No compromises. No shortcuts.
Note: There are cheaper aftermarket ways to do this, but this kit is for those of you that want OEM quality and a completed kit.
If you’re looking to delete the Displacement on Demand (DOD) system from your 2007–2013 GM LS truck, car, or SUV—this is the kit that sets the standard. Built by real mechanics who specialize in LS platforms and perform these deletes daily, this package includes every single part you’ll need to do the job right the first time.
Forget the generic kits you see online. They’re incomplete, filled with aftermarket substitutes, and leave you guessing. The Cape Fear Motors DOD Delete Kit is 100% Genuine GM OEM—no fillers, no missing seals, no compromises.
✅ Retains your factory VVT system
✅ Includes GM L96 OEM Non-DOD Camshaft
✅ Includes GM Genuine OEM Non-DOD Lifters
✅ Built by professionals. Trusted by enthusiasts.
---
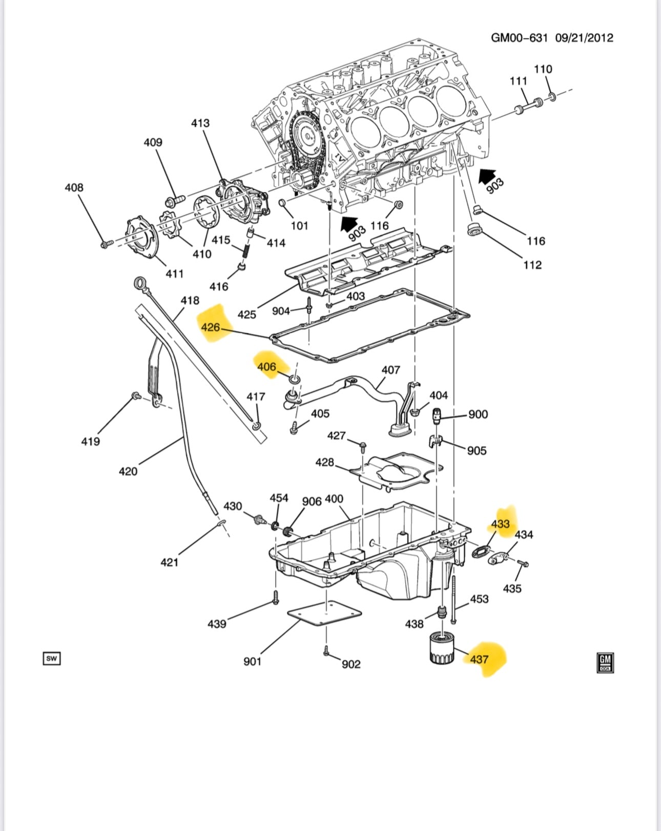
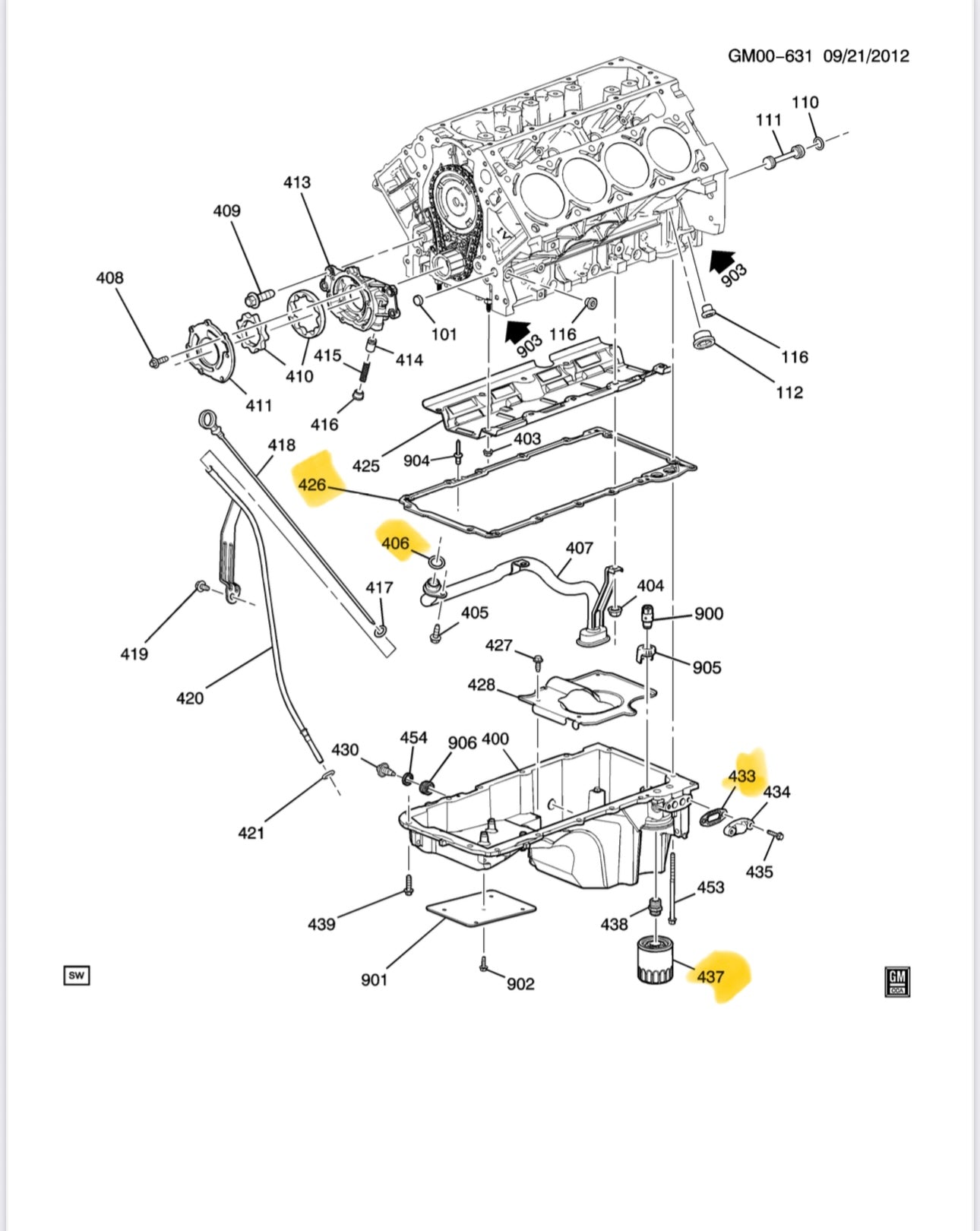
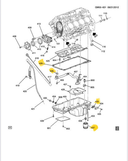
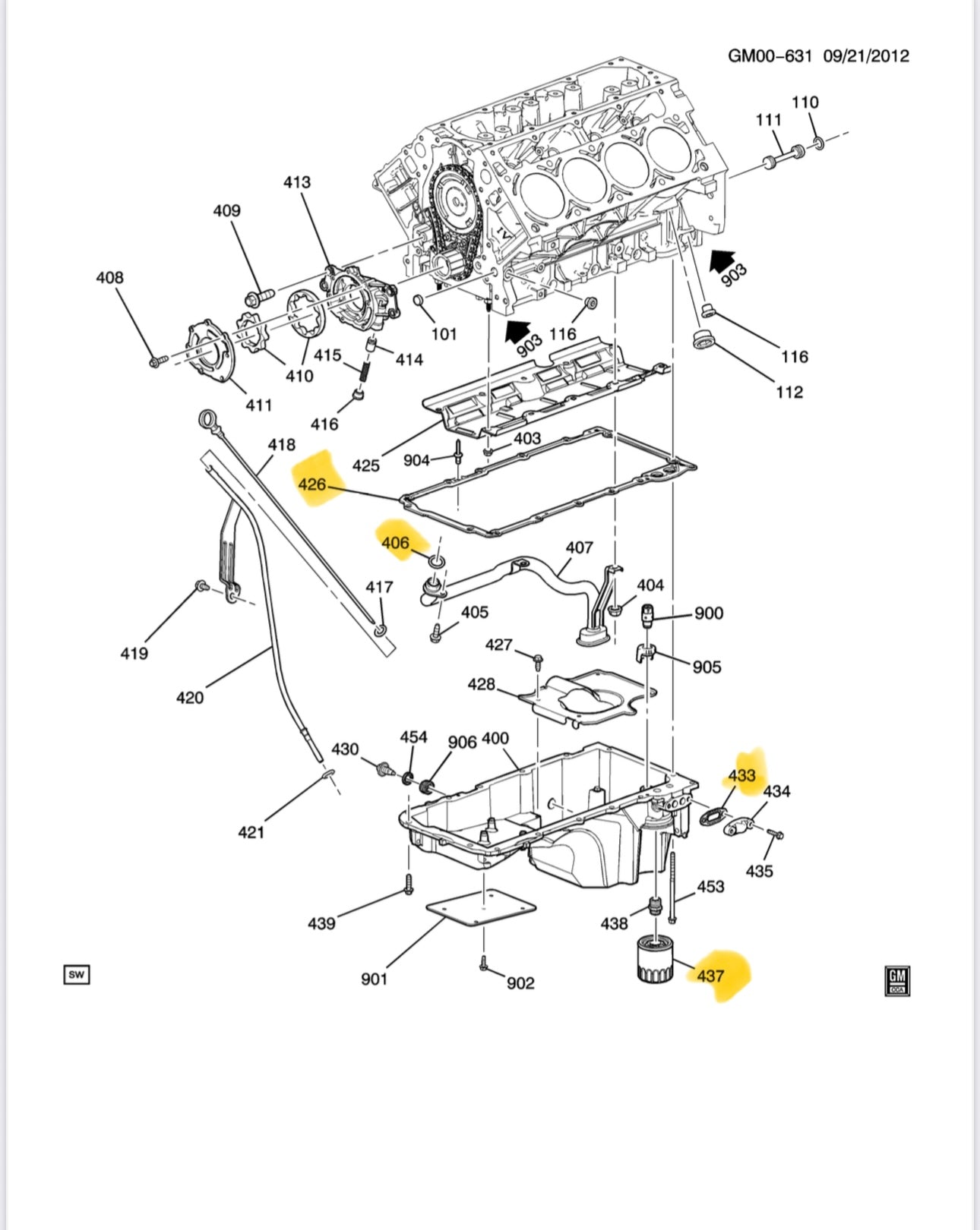
📦 Full Parts List – All Genuine GM OEM:
Part Number Description
12557840 Crankshaft Balancer Bolt
11561455 Camshaft Retainer Bolts (M8x1.25x15)
12589016 Camshaft Retainer Plate
11519681 HFH Bolts (M8x1.25x34)
12637683 Valve Rocker Arm Cover Gasket
12558840 Cylinder Head Bolts
19258707 Main Cylinder Head Bolts
12589226 Cylinder Head Gaskets
12587397 Water Inlet Seal
12585673 Engine Front Cover Seal
12630223 Water Pump Gasket
12735382 Engine Front Cover Gasket
89017690 Valve Lifter Oil Upper Manifold Gasket
12617944 Timing Chain Dampener
89060413 Intake Manifold Gasket Kit
12584922 Oil Pump Suction Pipe Seal (O-ring)
12690386 Oil Filter
12611384 Oil Pan Cover Gasket
12612350 Oil Pan Gasket
12698945 Non-DOD Valve Lifters (Qty 16)
12626660 GM L96 OEM Non-DOD Camshaft
TSPPLUGS DOD Block-Off Plugs
12682000 Camshaft Position Actuator Solenoid Valve
12595365 Valve Lifter Guides (Qty 4)
12626407 Timing Chain Tensioner
12594339 Camshaft Position Actuator Cover Seal
---
💬 Why Cape Fear Motors?
• We do this every day. Our shop specializes in LS tuning, cam swaps, and DOD/VVT deletes.
• We know what fails. This kit includes every gasket, seal, and bolt you’ll need—because we’ve seen what happens when you skip them.
• We don’t cut corners. Every part is GM OEM. Period.
• We’re here to help. Whether you’re installing it yourself or booking with us, we’ve got your back.
Want to add a performance cam? We have a package for that as well!
📍 Located in Wilmington, NC
📞 Call or message us today to order or schedule your install.
When you see the octopus, you know it’s Cape Fear Motors—and you know it’s done right.
Share
